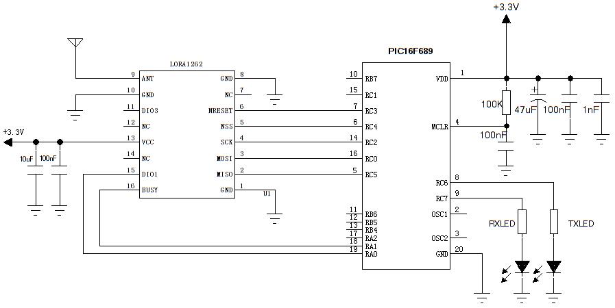
LoRa1262-915: сертифицированный FCC ID модуль LoRa SX1262 915 МГц с защитой от электростатического разряда
Type: LoRa Front-End Modules
Certification: FCC ID
Modulation: LoRa
Chip: SX1262
Interface: SPI
Output Power: 160mW
Frequency: 915MHz
Size:16*16

French








