Type: LoRa Front-End Modules
Certification: FCC ID
Modulation: LoRa
Chip: SX1276
Interface: SPI
Output Power: 100mW
Frequency: 915MHz
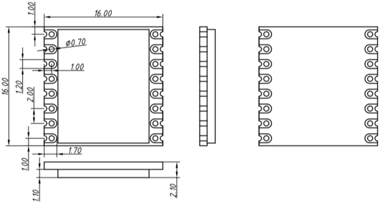
Size:17.3*17
★ Следующие параметры получены при подключении прибора с помощью медной оси сопротивлением 50 Ом. @VCC=3,3 В.
Беспроводные модули LoRa1280/Lora1281-TXCO получили сертификацию CE и FCC.

| Параметр | Мин. | Тип. | Макс. | Единица | Состояние |
| Состояние эксплуатации | |||||
| Рабочее напряжение | 1.8 | 3.3 | 3.7 | В | |
| Диапазон температур | -40 | 85 | ℃ | ||
| Текущее потребление | |||||
ток приема | < 12 | мА | @Lora1280-TCXO | ||
| Ток передачи | 28 | 32 | мА | @Vcc=3,3 В,12,5 дБм @Lora1280-TCXO | |
| ток сна | < 1 | uA | |||
| Параметр РЧ | |||||
| Диапазон частот | 2400 | 2500 | МГц | ||
Скорость передачи данных | 0,476 | 202 | Кбит/с | @Лора | |
| 260 | 1300 | Кбит/с | @FLRC | ||
| 125 | 2000 | Кбит/с | @ФСК | ||
| Выходная мощность | -18 | 12.5 | дБм | @VCC=3,3 В | |
| Чувствительность приема | -132 | дБм | LoRa@0.476Кбит/с | ||
| сертификация | FCC ID&CE-RED |
| Интерфейс | СПИ |
| Чип | SX1280/1281 |
| Частота | 2.4ГГц |
| Модуляция | Лора |


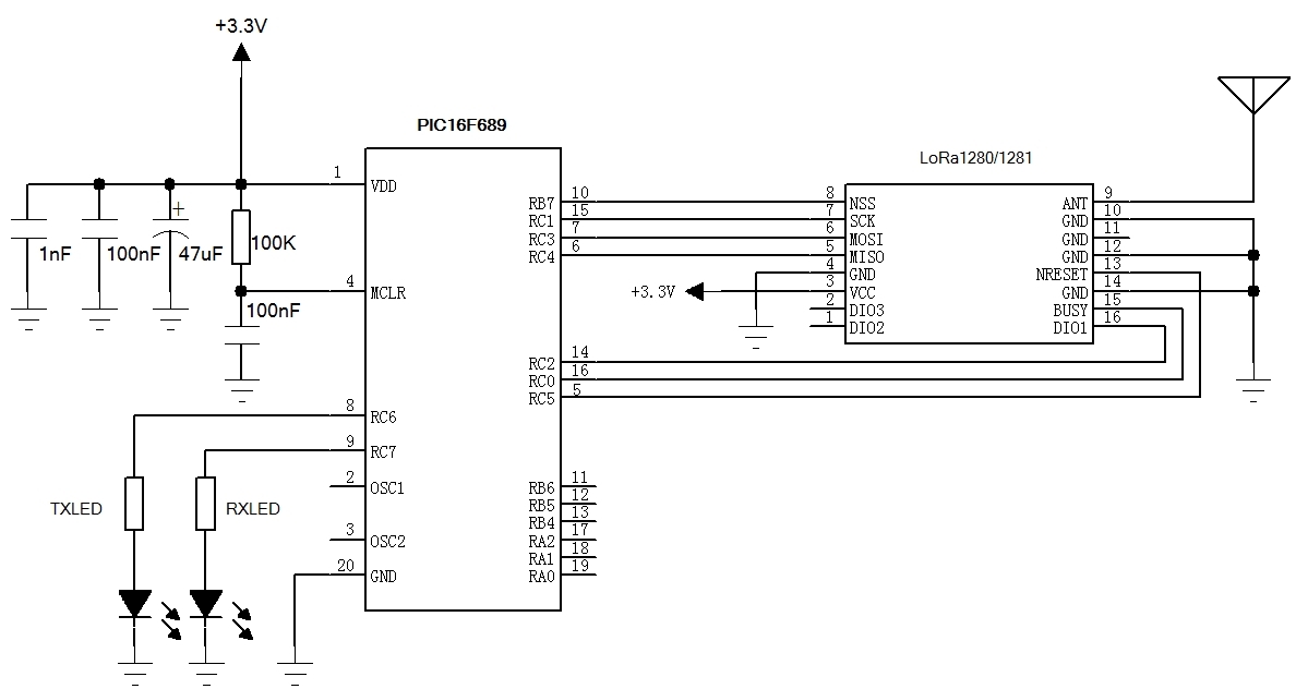
| Штифт НЕТ | Имя пин-кода | Описание |
| 1 | ДИО2 | Напрямую подключенный к выводу микросхемы, настраиваемый ввод-вывод общего назначения (подробности см. в спецификации микросхемы SX1280/1281) |
| 2 | ДИО3 | Напрямую подключенный к выводу микросхемы, настраиваемый ввод-вывод общего назначения (подробности см. в спецификации микросхемы SX1280/1281) |
| 3 | ВКЦ | Подключен к положительному полюсу источника питания (1,8-3,7 В) |
| 4 | Земля | Подключен к отрицательному полюсу |
| 5 | МИСО | Выходной контакт данных SPI |
| 6 | МОСИ | Входной контакт данных SPI |
| 7 | ССК | Входной контакт синхронизации SPI |
| 8 | НСС | Вывод выбора микросхемы модуля |
| 9 | МУРАВЕЙ | Подключитесь к коаксиальной антенне сопротивлением 50 Ом. |
| 10,11,12 | Земля | Подключен к отрицательному полюсу |
| 13 | НСБРОС | Вывод триггера сброса чипа, активный низкий |
| Примечание: для модулей Lora1280 и Lora1281 контакт 14 — это GND. | ||
| 14 | Земля | Подключен к отрицательному полюсу |
| Примечание: для модуля Lora1280-TCXO контакт 14 — TCXOEN. | ||
| 14 | TCXOEN | Включите TCXO: 1. Переведите вывод TCXOEN в высокий уровень перед сбросом SX1280; 2. Задержка не менее 3 мс для ожидания запуска TCXO; 3. Во время использования модуля 1280 TCXOEN должен оставаться на высоком уровне; Выключите TCXO (если модуль должен перейти в режим сна): 1. Вызовите функцию SetSleep(), чтобы модуль перешел в режим сна; 2. Задержка не менее 1 мс для ожидания перехода модуля в режим сна; 3. Переведите вывод TCXOEN в низкий уровень, чтобы выключить TCXO; |
| 15 | ЗАНЯТЫЙ | Контакт индикатора состояния (подробности см. в спецификации SX1280/1281) |
| 16 | ДИО1 | Напрямую подключенный к выводу микросхемы, настраиваемый ввод-вывод общего назначения (подробности см. в спецификации микросхемы SX1280/1281)) |

политика конфиденциальности
· Политика конфиденциальности
В настоящее время нет доступного контента
Электронная почта: sales@nicerf.com
Тел:+86-755-23080616