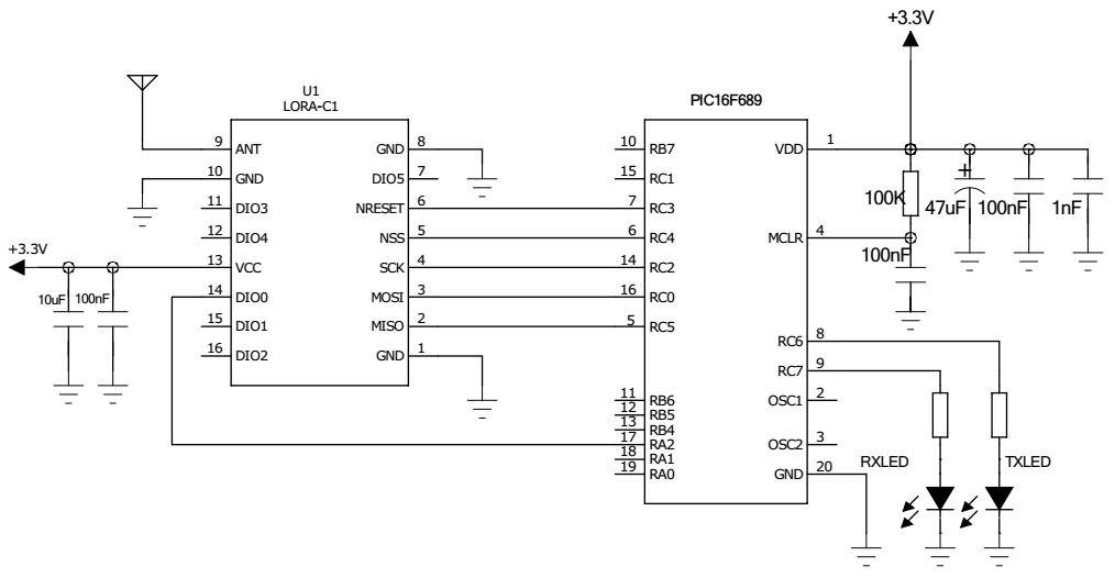
LoRa1276-915: сертифицированный FCC ID интерфейсный модуль LoRa SX1276 915 МГц
Type: LoRa Front-End Modules
Certification: FCC ID
Modulation: LoRa
Chip: SX1276
Interface: SPI
Output Power: 100mW
Frequency: 915MHz
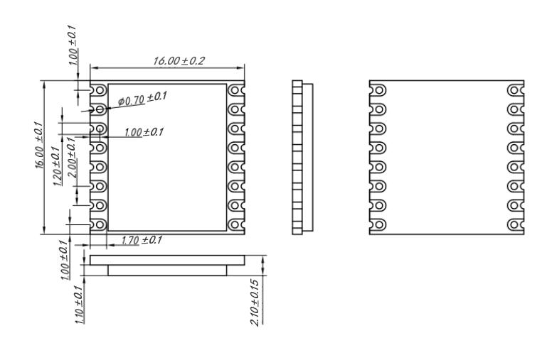
Size:17.3*17

French








