zd1ПродуктыМодули LORA и LORAWAN (SPI) LORA1276-915: сертифицированный FCC ID интерфейсны...
LoRa1276-915: сертифицированный FCC ID интерфейсный модуль LoRa SX1276 915 МГц
LoRa1276-915: сертифицированный FCC ID интерфейсный модуль LoRa SX1276 915 МГц
LoRa1276-915: сертифицированный FCC ID интерфейсный модуль LoRa SX1276 915 МГц
LoRa1276-915: сертифицированный FCC ID интерфейсный модуль LoRa SX1276 915 МГц
LoRa1276-915: сертифицированный FCC ID интерфейсный модуль LoRa SX1276 915 МГц
LoRa1276-915: сертифицированный FCC ID интерфейсный модуль LoRa SX1276 915 МГц
LoRa1276-915: сертифицированный FCC ID интерфейсный модуль LoRa SX1276 915 МГц
LoRa1276-915: сертифицированный FCC ID интерфейсный модуль LoRa SX1276 915 МГц
LoRa1276-915: сертифицированный FCC ID интерфейсный модуль LoRa SX1276 915 МГц
LoRa1276-915: сертифицированный FCC ID интерфейсный модуль LoRa SX1276 915 МГц
LoRa1276-915: сертифицированный FCC ID интерфейсный модуль LoRa SX1276 915 МГц
LoRa1276-915: сертифицированный FCC ID интерфейсный модуль LoRa SX1276 915 МГц

LoRa1276-915: сертифицированный FCC ID интерфейсный модуль LoRa SX1276 915 МГц

  • Модуль LoRa LoRa1276 использует чип приёмопередатчика Semtech RF SX1276, использующий технологию скачкообразной перестройки частоты с модуляцией LoRa Spread Spectrum. Дальность связи и чувствительность приёмника значительно выше, чем у существующих FSK и GFSK модуляций. Многосигнальные сигналы не будут мешать друг другу даже в условиях высокой частоты; модуль обладает высокой помехоустойчивостью. Антенный переключатель модуля интегрирован и управляется чипом. Компактный размер модуля позволяет достичь выходной мощности 100 мВт. Модуль может широко использоваться для беспроводного считывания показаний, дистанционного управления промышленными системами и других отраслей.
  • LoRa1276 соответствует требованиям по бессвинцовому производству и тестированию и соответствует стандартам RoHS и REACH.
  • LoRa1276-915 получил сертификацию FCC ID.
Параметр Мин. Тип.  Макс. Единица Состояние
Состояние эксплуатации
Рабочее напряжение 1.8 3.3 3.7 В  
Диапазон температур -40   85  
Текущее потребление
ток RX   10.8   мА  
Ток передачи   120   мА @20dBm
ток сна   1   uA  
Параметр RF
Диапазон частот 900 915 940 МГц @915MHz
Скорость передачи данных 1.2   300 Кбит/с ФСК
0,018   37,5 Кбит/с Лора
Выходная мощность -1   20 дБм  
Чувствительность приема   -123   дБм @FSK data=1,2 кбит/с, Fdev=10 кГц
  -139   дБм @Lora BW=125KHz_SF = 12_CR=4/5
Интерфейс СПИ
Чип SX1276
Частота 915 МГц
Модуляция Лора
Выходная мощность 100 мВт
Сертификация Идентификатор FCC

Особенности модуля LoRa SX1276 LoRa1276

  • Диапазон частот: 915 МГц (настраиваемый 137–1020 МГц)
  • Чувствительность: -139 дБм @Lora
  • Максимальная выходная мощность: 20 дБм
  • Низкий ток приема: 10,8 мА
  • Ток сна < 1,5 мкА
  • Скорость передачи данных: 1,2–300 Кбит/с @FSK 0,018–37,5 Кбит/с @Lora,
  • Режим модуляции Lora、FSK、GFSK
  • Встроенная защита от электростатического разряда
  • Динамический диапазон RSSI 127 дБ
  • 256 байт FiFo&CRC
  • Функция скачкообразной перестройки частоты
  • Встроенный датчик температуры и индикатор низкого заряда батареи
  • Диапазон рабочих температур: -40 ~ +85 °C

Применение модуля LoRa SX1276 LoRa1276

  • Удаленное считывание показаний счетчиков
  • Промышленный контроль
  • Дистанционное зондирование домашней автоматизации
  • Контроль игрушек
  • Сенсорная сеть
  • Контроль давления в шинах
  • Мониторинг здоровья
  • Беспроводные периферийные устройства для ПК

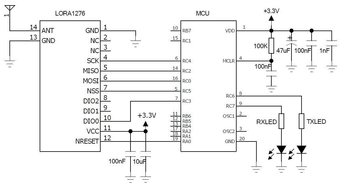
Схема применения беспроводного модуля LoRa 915 МГц LoRa1276 - 915


Определение контактов беспроводного интерфейса LoRa 915 МГц LoRa1276 - 915

НОМЕР ПИН-КОДАИмя пин-кодаОписание
1Землязаземление питания
2NCПустой
3NCПустой
4ССКПоследовательный тактовый сигнал для интерфейса SPI
5МИСОВывод SPI для данных SPI
6МОСИВход SPI для данных SPI
7НССвключить SPI
8ДИО2Цифровой ввод/вывод, настраиваемый
9ДИО1Цифровой ввод/вывод, настраиваемый
10DIO0Цифровой ввод/вывод, настраиваемый
11ВКЦПодключенный источник питания (по умолчанию 3,3 В)
12NRESETСброс ввода
13Землязаземление питания
14МУРАВЕЙПодключение к коаксиальной антенне сопротивлением 50 Ом

Механические размеры беспроводного модуля LoRa 915 МГц LoRa1276 - 915


Contactus
PrivacyPolicy

политика конфиденциальности

· Политика конфиденциальности

В настоящее время нет доступного контента


           

Электронная почта: sales@nicerf.com

Тел:+86-755-23080616

Адрес: 309-314, 3/F, корпус A, деловое здание Хунду, зона 43, район Баоань, Шэньчжэнь, Китай


×
Submit
0.796882s