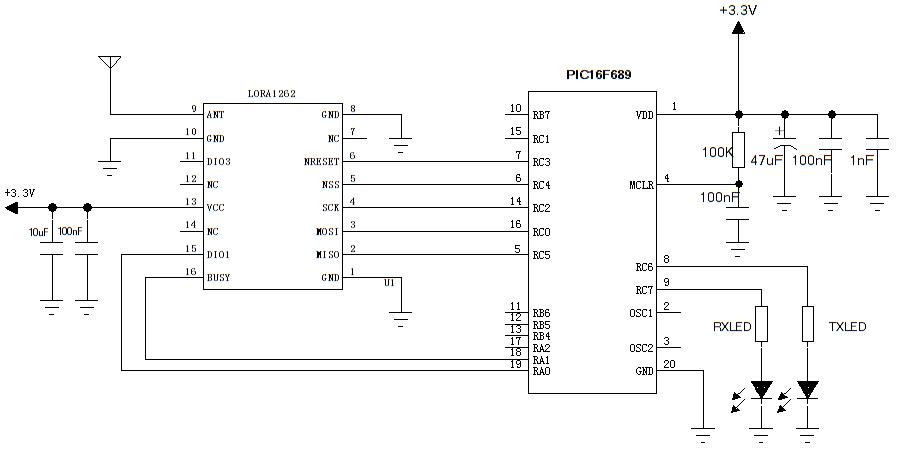
LoRa1276-C1-868: модуль LoRa SX1276 868 МГц 100 мВт, сертифицированный CE-RED, с защитой от электростатического разряда
Type: LoRa Front-End Modules
Certification: CE-RED
Modulation: LoRa
Chip: SX1276
Interface: SPI
Output Power: 100mW
Frequency: 868MHz
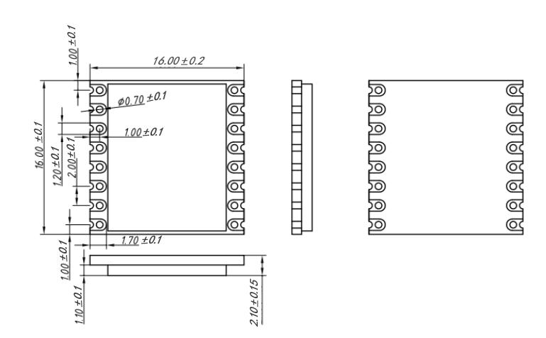
Size:16*16

French







