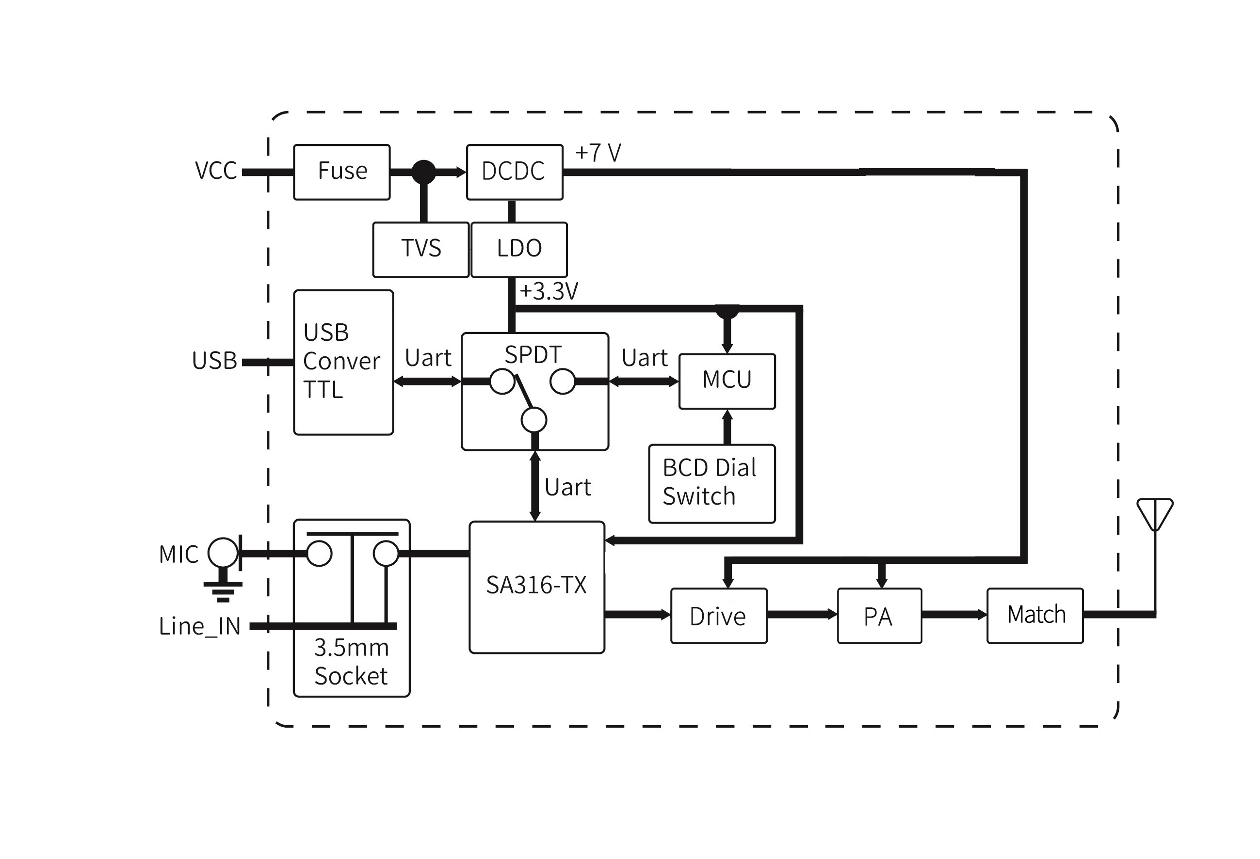
Продукты SA356-TX делятся на модуль беспроводного аудиопередатчика 5 Вт, который может быть согласован с модулем беспроводного аудиоприемника SA326-RX. Этот продукт представляет собой прикладную плату с SA316-TX, усиленным до 5 Вт. Он может работать после включения питания. Вы также можете использовать программное обеспечение ПК для прямой установки частоты модуля, размера звука и других параметров, что значительно упрощает задачу разработки для пользователя. Этот продукт широко используется в случаях с относительно высокими требованиями к качеству звука.

| Параметр | Условия испытания | Мин. | Тип. | Макс. | Единица |
| Диапазон рабочего напряжения | 9.0 | 12 | 30 | В | |
| Диапазон рабочих температур | -20 | 25 | 60 | ℃ | |
| Диапазон рабочих частот | 500.02 | 516.02 | МГц | ||
| Задержка передачи и приема звука | 3 | РС | |||
| Скорость передачи данных последовательного порта | 9600 | б/с | |||
| Потребление тока | |||||
| Ток в режиме ожидания | <100 | мА | |||
| Ток эмиссии | <1,5 | А | |||
| Параметр передачи | |||||
| Мощность передачи | @VCC=12В | 36 | 37 | дБм | |
| Ширина полосы излучения (BW) | 300 | КГц | |||
| Коэффициент мощности соседнего канала (ACPR) | @600КГц | -60 | дБн | ||
| Максимальное входное напряжение микрофона | 0.3 | 1.5 | Vrms | ||
| Диапазон частотной характеристики звука | 20 | 20к | Гц | ||
| Тип | Беспроводное аудио |
| Выходная мощность | 5 Вт |




политика конфиденциальности
· Политика конфиденциальности
В настоящее время нет доступного контента
Электронная почта: sales@nicerf.com
Тел:+86-755-23080616