SA628F22: частота дискретизации 8K, полнодуплексный беспроводной аудиомодуль
Type: Wireless Audio
Certification: Others
Output Power: 160mW
Size:48,1*33,9
| Параметр | Условия испытания | Мин. | Тип. | Макс. | Единица |
| Рабочее напряжение | 2.3 | 3.3 | 3.6 | В | |
| рабочая температура | -30 | 25 | 70 | ℃ | |
| Потребление тока | |||||
| ток сна | 12 | uA | |||
| ток приема | @ Нет аудиовыхода | 50 | мА | ||
| @8Ω, 1W аудиовыход | 300 | ||||
| Ток передачи | 3,3 В, при 22 дБм | 110 | мА | ||
| параметр РЧ | |||||
| Рабочая частота | УВЧ | 420 | 510 | МГц | |
| Настраиваемая частота | 150 | 960 | МГц | ||
| Значение частоты по умолчанию для 16 каналов | УВЧ (интервал 1 МГц) | 440.125 | 455.125 | МГц | |
| Мощность передачи | По умолчанию:22 дБм | 0 | 22 | дБм | |
| Вторая гармоника | -40 | дБм | |||
| Пропускная способность (BW) | 500 | КГц | |||
| Чувствительность приема | -117 | дБм | |||
| Параметры звука | |||||
| Чувствительность модуляции | 10 | 100 | мВ | ||
| Отношение сигнал/шум (SNR) при приеме | 90 | дБ | |||
| частотная характеристика | 60 | 3800 | Гц | ||
| Аудиовыход (линейный) | Нагрузка 16 Ом | 40 | мВт | ||
| Параметры задержки | 2 канала | 80 | 100 | 120 | РС |
| 3 канала | 120 | 160 | 180 | РС | |
| 4 канала | 160 | 200 | 240 | РС | |
| 6 каналов | 240 | 300 | 360 | РС | |
| 8 каналов | 320 | 400 | 480 | РС | |
| Тип | беспроводное аудио |
| Выходная мощность | 160мВт |

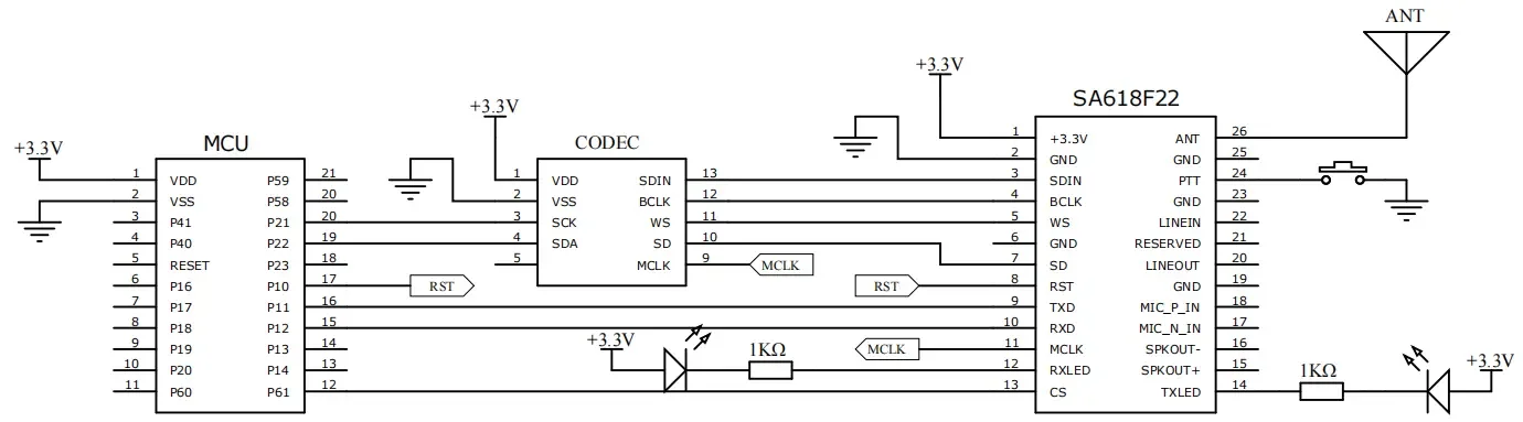
Аналоговая схема ввода и вывода (внешний аудиоусилитель)



| Номер контакта | Имя пин-кода | Ввод/вывод | Описание |
| 1 | +3.3в | 2,3-3,6 В | |
| 2,6,19,23,25 | Земля | Земля | |
| 3 | СДИН | я | Внешний I2S (0-3,3 В) |
| 4 | БКЛК | О | Внешний I2S (0-3,3 В) |
| 5 | WS | О | Внешний I2S (0-3,3 В) |
| 7 | СД | О | Внешний I2S (0-3,3 В) |
| 8 | РСТ | я | Контакт сброса модуля, внешнее нажатие более 5 мс приведет к сбросу модуля |
| 9 | TXD | О | Последовательная связь |
| 10 | RXD | я | Последовательная связь |
| 11 | МКЛК | О | Внешний I2S (0-3,3 В) |
| 12 | RXLED | О | Индикатор приема, подключенный к внешнему светодиоду, включается низким уровнем выходного сигнала при приеме данных или голоса (рекомендуется резистор сопротивлением 1 кОм для ограничения тока) |
| 13 | КС | я | Плавающий вход, низкий уровень для перехода в спящий режим |
| 14 | TXLED | О | Индикатор передачи, подключенный к внешнему светодиоду, включается низким уровнем выходного сигнала при передаче данных или голоса (рекомендуется резистор сопротивлением 1 кОм для ограничения тока) |
| 15 | SPKOUT+ | О | Внешний динамик 8 Ом 2 Вт |
| 16 | SPKOUT- | О | Внешний динамик 8 Ом 2 Вт |
| 17 | MIC_N_IN | я | Отрицательный электрод внешнего микрофона |
| 18 | MIC_P_IN | я | Положительный электрод внешнего микрофона |
| 20 | LINE_OUT | О | Подключено к наушникам 16 Ом |
| 21 | Сдержанный | NC | |
| 22 | LINE_IN | я | Линейный вход, максимум 1 В RMS |
| 24 | ПТТ | я | Нажмите, чтобы говорить, потяните вниз, чтобы войти в режим передачи, потяните вверх или оставьте открытым, чтобы войти в режим приема, подтяните вверх внутренне, |
| 26 | МУРАВЕЙ | Подключено с помощью антенны 50 Ом |

политика конфиденциальности
· Политика конфиденциальности
В настоящее время нет доступного контента
Электронная почта: sales@nicerf.com
Тел:+86-755-23080616