Contactus
Примечание: Модуль имеет внутреннюю стабилизацию напряжения LDO 3,3 В. Выводы CS и SET управляются напряжением 3,3 В. TXD и RXD также имеют напряжение 3,3 В.
| Параметры | Мин. | Тип. | Макс. | Единица | Состояние |
| Рабочее состояние | |||||
| Диапазон напряжения | 3.3 | 5.0 | 6.5 | В | |
| Рабочая температура | -40 | 25 | +85 | ℃ | |
| Текущее потребление | |||||
| Ток Rx | <15 | мА | уровень ТТЛ | ||
| Ток передачи | < 130 | мА | |||
| ток сна | < 200 | uA | |||
| Параметры РЧ | |||||
| Диапазон частот | 414.92 | 433.92 | 453.92 | МГц | @433MHz |
| 470,92 | 489,92 | 509.92 | МГц | @470MHz | |
| 849.92 | 868.92 | 888.92 | МГц | @868MHz | |
| 895.92 | 914.92 | 934.92 | МГц | @915MHz | |
| Скорость передачи данных | 91 | 656 | 17353 | бит/с | @LoRa |
| Выходная мощность | 4 | 20 | +20 | дБм | Программное обеспечение уровня 7 регулируемое |
| Чувствительность | -139 | дБм | @91bps | ||
| Интерфейс | ТТЛ |
| Сеть | СЕТКА |
| Частота | 433 МГц,470 МГц,868 МГц,915 МГц |
| Модуляция | Лора |
| Выходная мощность | 100 мВт |


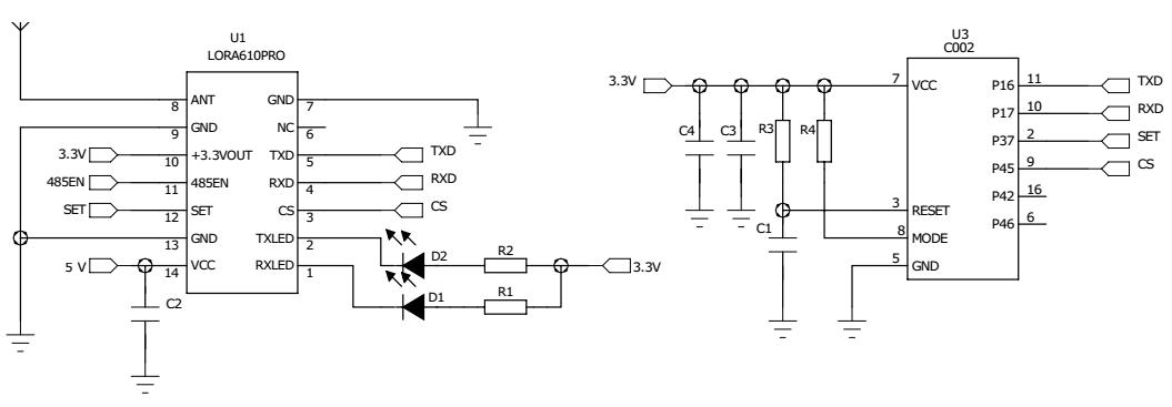
| НЕТ. | ПРИКОЛОТЬ | Описание |
| 1 | RXLED | Индикатор принимаемого сигнала, низкий уровень, по умолчанию высокий |
| 2 | TXLED | Индикатор передаваемого сигнала, низкий уровень, по умолчанию высокий |
| 3 | CS | Вывод включения модуля (встроенный подтягивающий резистор) Примечание: заводская версия по умолчанию: ток в спящем режиме <200 мкА, CS подтянут к высокому уровню или приостанавливается для нормальной связи, спящий режим на низком уровне; версия с низким энергопотреблением: ток в спящем режиме <15 мкА, нормальная связь, когда CS подтянут к низкому уровню, подтянут к высокому уровню или переходит в спящий режим. |
| 4 | RXD | Последовательный прием данных связи |
| 5 | TXD | Последовательная передача данных |
| 6 | NC | Бесполезно |
| 7 | Земля | Заземление антенны |
| 8 | МУРАВЕЙ | Выход РЧ-сигнала, подключенный к антенне сопротивлением 50 Ом |
| 9 | Земля | Заземление антенны |
| 10 | +3,3 В ВЫХОД | Выходной контакт напряжения 3,3 В, может управлять устройствами с током до 50 мА |
| 11 | 485EN | Возможность подключения к внешнему расширению 485 для преобразования выходного сигнала управления уровнем. |
| 12 | НАБОР | Включение параметра конфигурации (конфигурация параметра включения низкого уровня, выход высокого уровня по умолчанию) |
| 13 | Земля | Подключите отрицательный полюс источника питания, провод заземления. |
| 14 | ВКЦ | Подключите положительный полюс источника питания (обычно 5 В) |

политика конфиденциальности
· Политика конфиденциальности
В настоящее время нет доступного контента
Электронная почта: sales@nicerf.com
Тел:+86-755-23080616