Модуль LoRa1121F33-1G9 построен на чипе LR1121 компании SEMTECH, сверхмаломощном трансивере LoRa дальнего действия, поддерживающем связь Sub-GHz и спутниковую связь S-диапазона. LoRa1121F33-1G9 поддерживает модуляцию LoRa, (G)FSK, протокол Sigfox и LR-FHSS. Он совместим с протоколом связи LoRaWAN и может функционировать как узел LoRaWAN. Кроме того, он предлагает гибкие возможности конфигурации для удовлетворения требований различных приложений и фирменных протоколов.
Параметры | Условие теста | Мин. | Тип. | Макс | Единица |
Диапазон напряжения | 3.0 | 5 | 5.5 | В | |
Рабочая температура | -40 | 25 | 85 | ℃ | |
Максимальный входной сигнал | 10 | дБм | |||
Текущее потребление | |||||
Ток передачи | @433МГц | < 900 | мА | ||
@1.9ГГц | < 750 | мА | |||
Получать ток | < 9 | мА | |||
Ток сна | < 18 | uA | |||
Параметры РЧ | |||||
Диапазон частот | @433МГц | 400 | 470 | МГц | |
@470МГц | 470 | 510 | МГц | ||
@868МГц | 850 | 890 | МГц | ||
@915МГц | 900 | 940 | МГц | ||
Мощность передачи | @Sub-ГГц | 20 | 33 | дБм | |
@S Диапазон частот | 17 | 29 | дБм | ||
Чувствительность приема | BW=62,5 кГц, SF=12 @Sub-ГГц | -142 | дБм | ||
BW=125 кГц, SF=12 @S Диапазон частот | -132 | дБм | |||
Ошибка частоты | 10 | частей на миллион | |||
Скорость модуляции (@sub-GHz) | @Лора | 0,091 | 62,5 | Кбит/с | |
@ФСК | 0,6 | 300 | Кбит/с | ||
Скорость модуляции (@S Частотные диапазоны ) | @Лора | 0,292 | 87,5 | Кбит/с | |
Диапазоны ниже ГГц: 433/470 МГц, 2 Вт
Диапазоны ниже ГГц: 868/915 МГц, 1 Вт (настраиваемый: 150~960 МГц)
S-диапазон: 1900 МГц~2000 МГц 1 Вт (настраиваемая 2.4G высокая мощность)
Чувствительность в диапазоне S: до -132 дБм при BW=125 кГц, SF=12
Чувствительность приема в диапазоне ниже ГГц: до -144 дБм при полосе пропускания = 62,5 кГц, SF = 12
Электростатическая защита (ESD)
Поддерживает LR-FHSS
Поддерживает протоколы LoRaWAN и Sigfox
Поддерживает шифрование и дешифрование AES-128
Дальность передачи сигнала в диапазоне субгигагерц превышает 10 км на открытой местности
Ток сна < 18 мкА
Ток приема < 9 мА
Маленький размер, дизайн с отверстием для штампа
Дроны
Дистанционное орошение
Умный дом/Умное сельское хозяйство
Промышленное производство


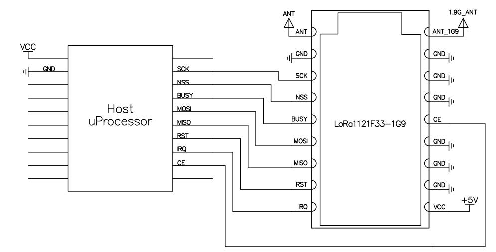
Номер контакта | Имя пин-кода | Ввод/вывод | Описание | Номер контакта | |
1 | ВКЦ | Подключитесь к положительному источнику питания. | |||
2,3,4,6,7,8,11 | Земля | Подключите к отрицательному полюсу источника питания. | |||
5 | СЕ | я | 0-5,5 В | Внутренний контрольный вывод LDO, подтяните его к высокому уровню или оставьте плавающим для работы, подключите к земле для режима сна. Внутренне подтянутый | |
9 | АНТ_1Г9 | Интерфейс антенны 1,9 ГГц, внешняя антенна 50 Ом | |||
10 | МУРАВЕЙ | Интерфейс антенны Sub-G, внешняя антенна 50 Ом | |||
12 | ССК | я | 0-3,3 В | Вход синхронизации SPI | |
13 | НСС | я | 0-3,3 В | Вход выбора микросхемы SPI | |
14 | ЗАНЯТЫЙ | О | 0-3,3 В | Используется для индикации состояния, подробности см. в техническом описании микросхемы. | |
15 | МОСИ | я | 0-3,3 В | Ввод данных SPI | |
16 | МИСО | О | 0-3,3 В | Вывод данных SPI | |
17 | ПЕРЕЗАГРУЗИТЬ | я | 0-3,3 В | Вход триггера сброса, подробности см. в техническом описании микросхемы | |
18 | IRQ | О | 0-3,3 В | Многоцелевой цифровой интерфейс, подробности см. в техническом описании микросхемы. | |

политика конфиденциальности
· Политика конфиденциальности
В настоящее время нет доступного контента
Электронная почта: sales@nicerf.com
Тел:+86-755-23080616